可控硅觸發板
聯系人 : 嵇先生
電話 : 021-37528292
郵箱 : 022000@163.com
手機 : 13636400688
傳真 : 021-37528292
地址 : 上海市奉賢區南橋鎮新民港路175-16號
聯系人 : 嵇先生
電話 : 021-37528292
郵箱 : 022000@163.com
手機 : 13636400688
傳真 : 021-37528292
地址 : 上海市奉賢區南橋鎮新民港路175-16號
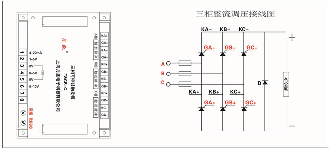
TSCR-C(完全替代老型號TSCR-B)三相可控硅觸發板(觸發器):本控制板由高性能單片機作為控制、運算放大器、脈沖變壓器等單元組成.用來觸發可控硅實現移相調壓功能,輸出線性化程度高,輸出起控點低,對負載電壓實現無級調節,本公司專業從事研發十幾年,有著多種現場應用經驗,多次改板優化,三相平衡度,稱相對稱性,抗干擾等,均達到爐火純青地步,對三相調壓、調光、焊機、控溫、充電、三相整流、直流電機調速、勵磁、電鍍、電解、水處理、也可用于三相電機軟啟動、變壓器的原邊調壓、風機調速、力矩電機調速等設備.



